120 dm, 120 cm, 28 m.
Aby ustalić brakujące boki, przyjrzyj się narysowanej figurze.
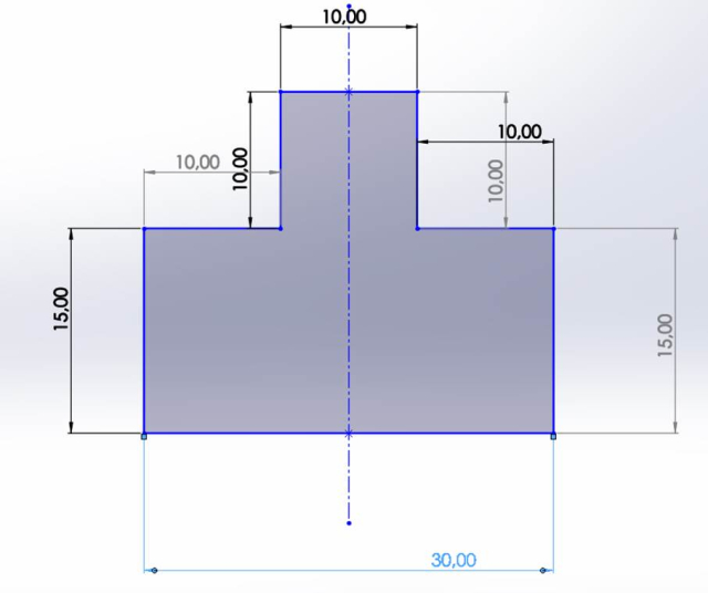
Figura pierwsza jest symetryczna, czyli jakbyś przedzielił ją na pół, obie połówki byłyby identyczne. Oznacza to, że skoro bok po lewej ma 15 dm to ten po prawej też tyle ma. Tak samo w przypadku boku o długości 10 dm. Dolny bok musi być sumą wszystkich pomniejszych boków na górze, czyli 10 + 10 + 10 = 30. Obwód to suma długości wszystkich ścian, czyli 120 dm.
Figura druga ma dwie brakujące długości boków, które są zależne od największego lewego i dolnego wymiaru. Skoro ma on 30 cm, a mniejsze prawy wymiar 15 cm. To brakujący musi mieć 30 – 15 = 15 cm. Tak samo w przypadku górnego wymiaru. Obwód to suma długości wszystkich ścian, czyli 120 cm.
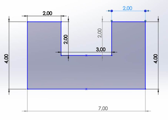
Figura trzecia jest symetryczna, czyli jakbyś przedzielił ją na pół, obie połówki byłyby identyczne. D obliczenia jest tylko dolny bok, który musi być sumą wszystkich mniejszych boków na górze, czyli 2 + 3 + 2 = 7 m. Obwód to suma długości wszystkich ścian, czyli 120 dm. Obwód to suma długości wszystkich ścian, czyli 28 m.