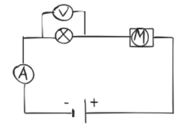
W tym zadaniu narysuj schemat opisanego obwodu.
Na rysunku zachowano warunki zadania. Znajduje się woltomierz, który jest połączony równolegle do żarówki, natomiast żarówka i silnik – szeregowo.
Zadanie 1
Zadanie 2
Podpunkt a)
Podpunkt b)
Podpunkt c)
Podpunkt d)
Podpunkt e)
Podpunkt f)
Podpunkt g)
Podpunkt h)
Zadanie 3
Zadanie 4
Zadanie 5
Zadanie 6
Zadanie 7
Zadanie 8
Zadanie 9
Zadanie 10
Zadanie 2.
Zadanie 11