Stacje A i B łączy linia kolejowa o długości 240 km. O godzinie
z A do B wyjechał pociąg osobowy, a o godzinie
z B do A wyjechał pociąg pospieszny. Pociągi te minęły się o godzinie
. Gdyby pociąg pospieszny wyjechał o godzinie
, a osobowy o godzinie
, to pociągi minęłyby się o godzinie
. Wyznacz godzinę, o której minęłyby się te pociągi, gdyby oba wyjechały ze swoich stacji punktualnie o godzinie
zakładając, że ich średnie prędkości są niezmienne w podanej sytuacji.
Ustalamy zmienne:
– prędkość pociągu osobowego
,
– prędkość pociągu pospiesznego
.
Rozrysujmy sytuację przedstawioną przez zadanie:
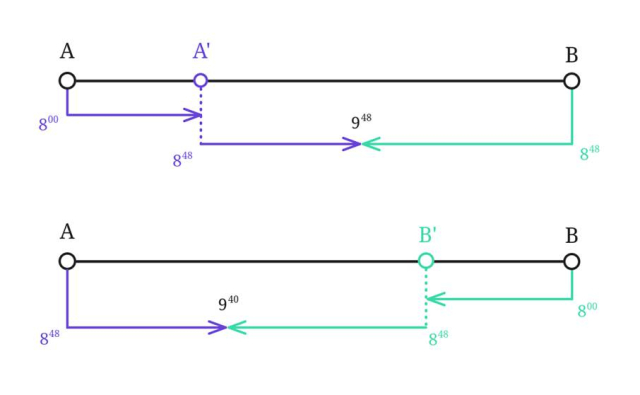
O godzinie
z A do B wyjechał pociąg osobowy, a o godzinie
z B do A wyjechał pociąg pospieszny. Pociągi te minęły się o godzinie
, czyli:
Wykorzystujemy wzór z fizyki na prędkość
, gdzie
to prędkość a
to droga pokonana w czasie
. Przekształcamy wzór:
by wyznaczał drogę względem prędkości i czasu.
Wiemy, że pociągi minęły się godzinę po wyjechaniu pociągu pospiesznego, więc drogę
można zapisać jako:
Tę samą drogę można zapisać w drugi sposób: jako różnicę 240 kilometrów i drogi, którą pokonał pociąg osobowy przez 48 minut na trasie
:
czyli możemy ułożyć równanie:
Gdyby pociąg pospieszny wyjechał o godzinie
, a osobowy o godzinie
, to pociągi minęłyby się o godzinie
, czyli:
Wiemy, że pociągi minęły się pięćdziesiąt dwie minuty po wyjechaniu pociągu osobowego, więc drogę
można zapisać jako:
Tę samą drogę można zapisać w drugi sposób: jako różnicę 240 kilometrów i drogi, którą pokonał pociąg pospieszny przez 48 minut na trasie
:
czyli możemy ułożyć równanie:
Układamy układ równań:
Rozwiązujemy układ równań metodą przeciwnych współczynników:
Dodajemy równania stronami i układamy równoważny układ równań:
Znając prędkości możemy wyliczyć godzinę, o której spotkałyby się pociągi, gdyby wyjechały o
. Przekształcamy wzór na prędkość tak, by wyznaczał czas względem prędkości i drogi:
Obliczamy:
czyli pociągi minęłyby się o godzinie
.
Odp. Pociągi minęłyby się o godzinie
.
Niektóre problemy wygodnie jest zapisywać w postaci układu równań. Przyjmujemy szukane wartości jako niewiadome, a następnie zawieramy relacje zawarte w zadaniu jako równania liniowe dwóch zmiennych.
W metodzie przeciwnych współczynników wykonujemy prosty algorytm, by znaleźć rozwiązanie danego układu równań:
1. Sprawdzamy, czy przy którejś niewiadomej występują przeciwne współczynniki. Jeżeli nie, to przekształcamy równania układu tak, aby otrzymać przeciwne współczynniki.
2. Dodajemy równania stronami.
3. Obliczamy niezredukowaną niewiadomą.
4. Tworzymy nowy układ równań równoważny wyjściowemu.
5. Rozwiązujemy otrzymany układ równań.
Zadanie 1.4.
104Zadanie 1.5.
105Zadanie 1.6.
105Zadanie 1.7.
105Zadanie 1.8.
105Zadanie 1.9.
105Zadanie 2.5.
111Zadanie 2.6.
111Zadanie 2.8.
111Zadanie 2.9.
111Zadanie 2.10.
112Zadanie 2.11.
112Zadanie 2.12.
112Zadanie 3.4.
118Zadanie 3.5.
118Zadanie 3.7.
118Zadanie 3.8.
119Zadanie 3.9.
119Zadanie 3.10.
119Zadanie 3.11.
119Zadanie 3.12.
119Zadanie 3.13.
119Zadanie 3.14.
120Zadanie 4.5.
126Zadanie 4.6.
126Zadanie 4.7.
126Zadanie 4.8.
126Zadanie 4.9.
126Zadanie 4.10.
127Zadanie 4.11.
127Zadanie 4.12.
127Zadanie 4.13.
127Zadanie 4.14.
127Zadanie 4.15.
127Zadanie 5.5.
131Zadanie 5.6.
131Zadanie 5.7.
132Zadanie 5.8.
132Zadanie 5.9.
132Zadanie 5.10.
132Zadanie 5.11.
132Zadanie 5.12.
132Zadanie 5.13.
133Zadanie 5.14.
133Zadanie 5.15.
133Zadanie 6.6.
140Zadanie 6.7.
140Zadanie 6.8.
140Zadanie 6.9.
140Zadanie 6.10.
140Zadanie 6.11.
140Zadanie 6.12.
141Zadanie 6.13.
141Zadanie 6.14.
141Zadanie 6.15.
141Zadanie 6.16.
141Zadanie 6.17.
142Zadanie 6.18.
142Zadanie 7.6.
150Zadanie 7.7.
150Zadanie 7.8.
150Zadanie 7.9.
151Zadanie 7.11.
151Zadanie 7.16.
151Zadanie 7.17.
152Zadanie 7.18.
152Zadanie 7.19.
152Zadanie 7.20.
152Zadanie 7.21.
152Zadanie 7.22.
152Zadanie 7.23.
152Zadanie 7.24.
152Zadanie 7.25.
153Zadanie 7.26.
153Zadanie 8.3.
162Zadanie 8.4.
162Zadanie 8.11.
162Zadanie 8.12.
162Zadanie 8.17.
163Zadanie 8.21.
163Zadanie 8.23.
163Zadanie Prosto do matury 5.
164Zadanie 9.6.
171Zadanie 9.7.
171Zadanie 9.8.
171Zadanie 9.9.
171Zadanie 9.10.
171Zadanie 10.5.
184Zadanie 10.6.
185Zadanie 10.7.
185Zadanie 10.8.
185Zadanie 10.9.
185Zadanie 10.10.
186Zadanie 10.11.
186Zadanie 10.12.
186Zadanie 10.13.
186Zadanie 10.14.
187Zadanie 10.15.
187Zadanie 10.16.
187Zadanie 10.17.
187Zadanie 10.21.
188Zadanie 40.
195Zadanie 43.
195Zadanie 44.
195Zadanie 45.
195Zadanie 65.
197Zadanie 67.
197Zadanie 68.
197Zadanie 69.
197Zadanie 77.
198